Подключение и установка противотуманных фар: схема противотуманок, как подключить и включить ПТФ

[ Скрыть]Безопасность на дороге во многом зависит от качества освещения. Одним из элементов внешнего освещения являются противотуманные фары, но они могут не входить в базовую комплектацию автомобиля. В статье даются советы, как правильно осуществляется установка противотуманных фар, требования, какие предъявляются к установке, приводятся способы и схемы подключения.
Требования к установке противотуманок
Назначение противотуманок – освещение дорожного полотна в условиях плохой видимости: вовремя тумана или выпадения атмосферных осадков. Головной свет во время тумана отражается от капелек воды, образуя белую стену впереди, что делает невозможным дальнейшее передвижение автомобиля. Если противотуманные фары правильно отрегулированы, то свет от них будет прижат к полотну, а дорога перед авто будет освещаться на расстоянии 10—12 метров. Водитель вправе сам решать, включать дополнительное освещение или нет.
Несмотря на то, что ПТФ являются необязательным световым оборудованием, при их установке нужно соблюдать определенные требования и знать, как подключить противотуманки. При нарушении принятых норм могут возникнуть проблемы во время прохождения техосмотра или может быть наложено административное взыскание.
При установке туманок нужно соблюдать следующие нормы:
- от дорожного полотна до фар должно быть расстояние не менее 25 см;
- ПТФ должны быть расположены симметрично на расстоянии, не превышающем 40 см от боковой плоскости машины (по внешней кромке габаритных огней);
- включать противотуманки можно только вместе с габаритами;
- если в фарах используется ксенон, то у них должна быть маркировка «D» и установлен автоматический корректор.

После установки нужно отрегулировать свет фар вместе с креплениями. Необходимо добиться, чтобы правильно падал световой луч, под нужным углом к дорожному полотну.

Инструменты и материалы
Перед приобретением ПТФ, автолюбитель должен определиться с местом их установки. На некоторых автомобилях есть специальные заглушки в бампер под противотуманки. В этом случае размер и форма фар должна подбираться согласно размерам отверстий. Если ПТФ будут монтироваться на уровне штатной оптики или на крыше, то форма и размеры не имеют значения. Важно, чтобы в комплекте были надежные крепления.
При выборе ПТФ следует определиться с типом ламп. Ксенон можно устанавливать лишь в специально предназначенные фары.
При выборе следует обратить внимание на следующие факторы:
- материал изготовления – стойкий термопластик;
- корпус должен быть разборным и герметичным;
- форму лучше выбирать аэродинамическую, что снижает шумность при движении.
При использовании в качестве стекла поликарбоната, стекло лучше покрыть защитной пленкой, тогда они будут долго оставаться прозрачными.
Для самостоятельной установки нужно приобрести не только фары, но и приготовить другие материалы:
- провода;
- клеммы для соединения электропроводов;
- выключатель ПТФ в виде кнопки или ручки;
- предохранитель номиналом на 20-30 А;
- 4-х контактное реле.
Кроме того, для выполнения работ понадобится стандартный набор инструментов. Чтобы защитить бортовую сеть, подключение делается через реле (автор видео — PRO.Garage).
Способы подключения противотуманных фар
Подключение ПТФ может осуществляться несколькими способами. Самый простой, если в машине с завода предусмотрено подключение туманок, то есть электросхема состоит из всех необходимых компонент: соединительных разъемов, выключателя, соединительных проводов, предохранителя, реле.
Установка, в этом случае, заключается в монтаже фар и подключении их к электросети. Этот способ можно использовать при полной комплектации машины, если нужно заменить установленные противотуманки или для усовершенствования системы освещения.
Покупая комплект ПТФ, нужно убедиться, что монтажные параметры и разъемы соответствуют заводским.
Если в базовой комплектации автомобиля нет подключения противотуманок, проводку придется прокладывать своими руками. Для этого нужно закупить необходимые компоненты: комплект проводов, реле, выключатель и др. Можно приобрести готовый комплект для монтажа противотуманных фар. Знать, как включаются противотуманные фары в электросхему автомобиля (автор видео — Morgan One).
Некоторые водители сомневаются, можно ли подключить противотуманные фары к габаритам. Этого делать нельзя, так как в габаритных огнях выключатель и проводка не рассчитана на потребляемый фарами ток.
Купив комплект для подключения противотуманок универсальный, можно выполнять подключение противотуманок своими руками по следующему алгоритму:
- Прокладку проводов нужно начинать с демонтажа приборной панели и подключения реле.
- Сначала необходимо найти провод, идущий к подсветке приборов. Следуя по этим проводам, можно найти колодку, в которой есть свободный разъем, чтобы подключить в него реле туманок.
- Вторым шагом будет подключение выключателя. Если на приборной панели есть свободная кнопка, подключаем фары к ней. Если свободной кнопки, то нужно установить новую.
- На следующем этапе реле нужно соединить с аккумулятором. Провод от аккумуляторной батареи нужно подключить к 87 контакту реле. Удобнее пропустить провод под педалями.
- Важно включить в электроцепь при установке предохранитель. Это убережет лампы от перегорания и спасет от пожара при коротком замыкании. Номинал предохранителя рассчитывается исходя из мощности фар. Если взять лампочки по 60 ВТ, то ток для питания фар будет составлять: 2*60 Вт/12 В = 10 А. Предохранитель нужно подбирать с большим номиналом. В рассматриваемом случае необходимо использовать предохранитель номиналом 15 А.
- Теперь монтируем ПТФ в бампере. Перед тем, как поставить противотуманки, нужно разметить места для фар согласно требованиям. Монтаж ПТФ лучше на снятом бампере. После монтажа фары необходимо надежно зафиксировать с помощью креплений, которые идут с монтажным набором.
- Отрицательный провод нужно замкнуть на массу (кузов машины), положительный подключаем к 30-му контакту реле.
- На заключительном этапе реле устанавливается на посадочное место, закрепляется. Панель приборов возвращается на прежнее место.
Фотогалерея




После установки ПТФ нужно проверить их работу и отрегулировать. Если фары слишком поднять, они потеряют свою эффективность при передвижении в плохих погодных условиях.
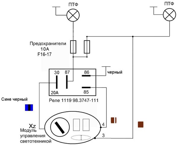
Схемы подключения ПТФ
Самая простая схема подключения ПТФ — напрямую через выключатель к аккумулятору. Каждая противотуманная фара имеет два контакта для подключения питания ламп. Один контакт с каждой ПТФ нужно проводом соединить вместе и подключить к металлической части кузова (массе). Лучше провод присоединить непосредственно к отрицательной клемме на аккумуляторной батарее.

Схема подключения туманок
Вторые контакты необходимо присоединить к клемме «плюс» аккумулятора. Их также нужно соединить вместе и провод подключить к контакту 87 на реле.
Затем контакты реле нужно подключить в следующем порядке:
- 30 подключается через предохранитель к положительной клемме АКБ;
- 86 либо к массе авто, либо к отрицательной клемме аккумулятора;
- 85 присоединяется к плюсу АКБ через выключатель и предохранитель ПТФ, который включен в цепь с 30 контактом.
Кнопка включения противотуманных фар минируется в удобном для водителя месте на панели приборов. Реле размещают в монтажном блоке, где можно найти свободный разъем для противотуманных фар. Можно воспользоваться одним из установленных в блоке предохранителей.
В основе другой схемы применяется предыдущий вариант, только положительный провод подключается не к АКБ, а через замок зажигания. В этом случае кнопка противотуманных фар подключается не к аккумулятору через предохранитель, а к любому проводу питания, в котором возникает напряжение при включенном зажигании. Так как по такой схеме включить противотуманки можно лишь после включения зажигания, то можно не переживать оставить их включенными на неработающем моторе. Для соблюдения правил подключения действующему законодательству кнопку включения ПТФ соединить с выключателем наружного освещения машины.
Заключение
Обеспечить безопасное передвижение автомобиля в плохую погоду могут противотуманки. На современных машинах они устанавливаются на заводе. Если на автомобиле не установлены противотуманные фары, то зная, как их установить и подключить, можно выполнить установку по схеме подключения ПТФ самостоятельно. Установка должна выполняться согласно требованиям, чтобы не было проблем при техническом осмотре, а также чтобы избежать проблем на дороге с инспекторами дорожного движения.
Важно помнить, что перед тем, как включить противотуманные фары, нужно включить габариты.
Видео «ПТФ из светодиодов своими руками»
Как сделать противотуманки своими руками с использованием светодиодов, и как подсоединить их к бортовой сети, рассказывается в предлагающемся ролике (автор видео — Play on).
